Altivar 12 User Manual
Posted By admin On 24.08.19This documentation is not intended as a substitute for and is not to be used for determining suitability or reliability of these products for specific user. ATV12H018M2 variable speed drive ATV12 - 0.18kW - 0.25hp. - 200.240V - 1ph. Range of product. Product or component type. BBV285 107 Altivar 12 Diagnostics and Troubleshooting Drive does not start, no error code displayed • If the display does not light up, check the power.

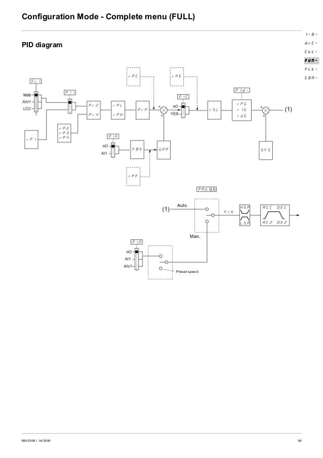
Altivar ATV12 Series The Altivar 12 Series frequency inverters are for use with single and 3 phase supplies and three-phase 200-240 V asynchronous motors rated from 0.18 kW to 4 kW. The Altivar 12 features plug and play installation. Its compact size, integrated functions and alternative base plate version make it suitable for applications involving simple machines.

Features & Benefits Selectable Profiles: Standard, Performance or Fan/Pump Preset Speeds Free Wheel or Fast Stop S ramping, U Ramping or switchable between ramps types Jog Operations Underload and Overload Detection Logic State Visible on the Front Display Error Logging Version with heat sink and baseplate available Note Not suitable for a 400 V 3 phase input. CAD Models – Copyright and Disclaimers The CAD Model drawings, dimensions and materials in this file download (“Information”) are provided for you to use free of charge by Manufacturers and remain the property of the relevant Manufacturer. You agree that the Information as provided here through an intermediary may not be error-free, accurate or up-to-date and that it is not advice. The Manufacturers disclaim all warranties (including implied warranties of merchantability or fitness for a particular purpose) and are not liable for any damages arising from your use of or your inability to use the Information downloaded from this website.

Altivar 12 Installation Manual
THE VERIFICATION OF THE RESULTS OF YOUR USE OF THE INFORMATION IN YOUR OWN ENGINEERING AND PRODUCT ENVIRONMENT IS AT YOUR OWN RISK. The Manufacturers’ liability to you will not exceed $500. The Manufacturers reserve the right to change this Information at any time without notice.No label present for null/LinelevelImage3DTermsAndConditionMsg2. The product detailed below complies with the specifications published by RS Components. Where applicable it provides assurance that electrostatic discharge sensitive devices have been handled and packed under conditions that meet the administrative and technical requirements of the ANSI/ESD S and BS EN 61340-5-1:2007 Electrostatic Control Standards. 669-5770 Description Schneider Electric ALTIVAR 12 Inverter Drive 0.37 kW with EMC Filter, 1-Phase In, 200 → 240 V, 4.9 A, 400Hz Out Manufacturer/Brand: Schneider Electric Mfr.
Savage serial number dates. I have a Savage 23B in 25-20 I bought 20 years ago, it had a Field scope mount and though the bore was good, it had pitting in the chamber.